Комплект оборудования для демонстрации использования возобновляемых источников энергии для отопления, горячего водоснабжения и кондиционирования на основе теплового насоса и солнечного коллектора

Технические характеристики
Тепловая мощность установки составляет 6 кВт, потребляемая мощность - до1500 Вт. Размещается снаружи здания, предназначен для первичного преобразования низкопотенциальной энергии.
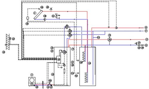
Установка включает в свой состав внутренний модуль DANFOSS “Maxi +60”, циркуляционный насос, ТЭН (мощностью 6кВт.), трехходовой распределительный клапан, бак-водонагреватель объемом 180 л из нержавеющей стали, встроенный буферный бак объемом 60 л, расширительный бачок и трехходовой клапан. Установка содержит все необходимые компоненты для полноценной работы теплового насоса, предназначенного для накопления произведенной горячей санитарной воды и произведенного тепла/холода, а также для согласования теплового насоса с системой отопления/охлаждения. Комбинированный буферный бак DWH Extender Opti. Буферный бак для аккумуляции тепла от внешних источников энергии, который имеет в своем составе два змеевика.
Солнечный коллектор (2150х1170х83), гофрированная труба из нержавеющей стали для соединения со змеевиком буферного бака служит для первичного преобразования энергии излучения солнца в тепло и передача ее в накопитель тепла. Комплект обвязки теплового насоса, трубы, запорная арматура, электроустановочные изделия, фанкойл для демонстрации произведенного тепла/холода.
Назначение
Стенд предназначен для демонстрации использования альтернативных источников энергии в системах автономного горячего водоснабжения, отопления и кондиционирования.

Область применения
Объекты ЖКХ, здания и сооружения, находящихся в удалении от газовых коммуникаций и тепловых сетей.
Описание
В установленном на внешней, обращенной к солнцу стороне здания солнечном коллекторе происходт нагрев промежуточного теплоносителя (водно-гликолевого раствора) и подача его специальным циркуляционным насосом в змеевиковый теплообменник буферного бака, далее вода (теплоноситель) передет тепло накопленное от солнечного коллектора системе отопления (фанкойл) или системе горячего водоснабжения (последовательно включенный со встроенным в буферный бак верхним змеевиковым теплообменником накопительный бойлер встроенный во внутренний блок теплового насоса, где происходит при необходимости догревание воды до заданной температуры тепловым насосом или встроенным в него электронагревателем), сам тепловой насос состоит из двух частей: 1) внешнего блока, где находится компрессор с воздушным конденсатором и водяным испарителем , 2) внутренний блок, где находятся все остальные устройства теплового насоса. Если вода поступившая в встроенный в внутренний блок теплового насоса имеет температуру ниже заданной, то тепловой насос догревает её, кроме того, по заданной температуре в помещении он производит нагрев или охлаждение с погодозависимым регулированием (по датчикам наружной и внутренней температуры). Установка оборудована средствами учета тепла/холода и электроэнергии, устройством для удаленного управления (через интернет).

Преимущества:
- Экологичность;
- Возможность использования установки без внешних коммуникаций;
- Отсутствие дополнительных временных затрат на согласование при подключении к внешним коммуникациям;
- Комплексное решение для создания комфортных условий в зданиях;
- Возможность совместной работы с иными источниками тепла.