Научно-образовательная лаборатория исследования тепломассообмена и очистки жидкостей
Экспериментальная установка для исследования теплоотдачи в аппарате с объемными интенсификаторами
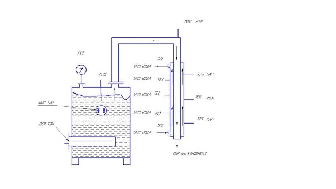
Схема установки для исследования эффективности конденсации паров из воды в теплообменнике с интенсификаторами

Стенд предназначен для экспериментального исследования теплоотдачи процесса конденсации паров в теплообменнике типа «труба в трубе» , где во внутренней трубе размещена мелкая хаотичная насадка, а в наружней – хладогент – (вода). Объемный интенсификатор (насадка) обеспечивает интенсивный турбулентный режим движения водяного пара и повышение коэффициента теплоотдачи.
Стенд состоит из бака с тепло – электронагревателем (ТЭН), которые предназначены для испарения воды. Образовавшийся пар по трубе поступает в теплообменике типа «труба в трубе» , где в противоточном режиме с водой происходит конденсация. Установка оборудована датчиками (термопарами) для измерения температуры в баке, а так же профиля температуры охлаждающей воды в теплообменнике. Так же измеряется расход охлаждающей воды и конденсата.
В результаты исследований составляется тепловой баланс, вычисляется средняя движущая сила теплопередачи, коэффициенты теплопередачи и теплоотдачи. Возможна замена контактных устройств (насадки) во внутренней трубе на новые разработанные конструкции с целью выбора наиболее энергоэффективных технических решений.
Мощность электродвигателя элементов (ТЭН) регулируется и максимально составляется 12 кВт. Рабочая длина хаотичного слоя 1000 мм; внутренний диаметр трубы – 0,05 м. Интервал измерения величин: охлаждения воды от 0 до 100 оС; водяного пара от 100 до 300 оС.
Ввод в эксплуатацию стенда - март 2020 г.

Стоимость выполнения исследований для сторонних организаций зависит от технического задания и примерно составляет 200-250 т.р. на исследование одного типа насадки в указанных интервалах работы установки.
Условия допуска сторонних организаций в рамках заключения договора с КГЭУ.
Экспериментальный стенд "Методы очистки воды БЖ 8м"
Экспериментальный стенд "Методы очистки воды БЖ 8м" предназначен для исследования различных систем очистки питьевой воды от примесей и методы оценки качества питьевой воды.

Основные технические характеристики:
1. Количество различных типов водяных фильтров - 4шт.
2. Производительность фильтра бытового "Аквафор В 300" - 18 л/ч
3. Производительность фильтра бытового "Гейзер-М" - 30 л/ч
4. Производительность фильтра бытового "Родник 3м" - 30 л/ч
5. Установки для очистки питьевой воды "ИЗУМРУД- С" - 50 л/ч
Стенд обеспечивает возможность:
- изучения принципов работы различных типов фильтров и очистительных установок;
- подачи воды к фильтрам и очистительным установкам от магистрали водоснабжения;
- исследования качества питьевой воды до и после очистки при помощи набора химико-аналитических средств(НХС);
- оценки эффективности очистки водопроводной воды для различных типов фильтров и очистительных установок.
Спектрофотометр Uniko (модель 1200) - однолучевой спектрофотометр
Спектрофотометр предназначен для измерения коэффициента пропускания, оптической плотности и концентрации жидких проб различного назначения.
Основные характеристики::
спектральный диапазон, нм - от325..до 1000
диапазон измерений
- коэффициентов пропускания, от 1,0 до100,0
- оптической плотности, от 0,0 до 2,0
пределы допускаемой абсолютной погрешности спектрофотометра при измерении коэффициентов направленного пропускания, % ±1
выделяемый спектральный интервал, нм - 5
уровень рассеянного света, не более - 0,5
оптическая схема - однолучевая
Колориметр КФК-2
Колориметр предназначен для измерения в отдельных участках диапазона длинн волн 315-980 нм, выделяемых светофильтрами коэффициентов пропускания и оптической плотности жидкостных растворов,. а также определения концентрации веществ в растворах методом построения градуировочных графиков.
Основные характеристики:
Пределы измерения на колориметре коэффициентов пропускания от 100до 1 (оптимальная плотность от 0 до 2)
предел допускаемого значения основной абсолютной погрешности колориметра при изменении коэффициентов пропускания ±1%
предел допускаемого значения среднеквадратического отклонения отдельного наблюдения 0,3%спектральный диапазон работы колориметра от 315 до 980 нм.
Спектрофотометр модель ПЭ-5400 УФ
Спектрофотометр предназначен для измерения коэффициента пропускания оптической плотности и концентрации жидких проб различного назначения. Основные характеристики:
спектральный диапазон,нм от 190 до 1100
диапазон измерений спектральных коэффициентов направленного пропускания,% от 0,1 до 99
диапазон показаний спектральных коэффициентов направленного пропускания, от 0 до 200
диапазон показаний оптической плотности, Б от - 0,3 до 3,0
погреещность установки длин волн,нм, не более±1,0
спектральная ширина щели, нм -4,0 уровень рассеянного света не более -0,15
Лабораторная установка по изучению процесса ректификации
Лабораторная установка предназначена для изучения фазовых переходов в сложных растворах при ректификации этилового спирта с использованием электрического нагревателя и периодической заправки спиртосодержащего сырья.
Основные характеристики:
Производительность установки 0,5 литра в час
максимальная концентрация получаемого спирта 96,4%
потребляемая мощность 1 кВт в режиме нагрева испарительной емкости до температуры кипения исходно смеси.
концентрация перерабатываемого сырья не менее 40-43%
расход воды, подаваемой на конденсатор паров спирта и охлаждение дистиллятора не мене 50л/час
Концентратомер нефтепродуктов ИКН-025
Концентратомер предназначен для измерения массовой концентрации нефтепродуктов в четыреххлористом углероде и индикации измеряемого параметра на цифровом жидкокристаллическом табло.
Основные характеристики:
диапазон измерения массовой концентрации нефтепродуктов в растворе четыреххлористого углерода от 0 до 500мг/дм3
диапазон показаний концентратомера 0-999.9мг/дм
время установления показаний концентратомера не более 20 сек.
время выхода на рабочий режим не более 1 мин.
мощность потребляемая концентратомером не более 0,5ВА
Аппарат для разгонки нефтепродуктов
Аппарат предназначен для определения фракционного состава нефтепродуктов.
Основные характеристики:
аппарат обеспечивает следующие условия при разгонке нефтепродуктов:
разгонку нефтепродуктов при атмосферном давлении- от плюс 35 до плюс 370 С
время предварительного нагрева пробы нефтепродукта от 5 до 15 мин.
скорость отгона дистиллята в диапазоне от 5% до 95% отгона -4...5мл/мин.
погрешность объема остатка -0,1мл.
погрешность отсчета объема дистиллята -0,5мл. мощность нагревателя аппаратов АРНС не менее 1000ватт.
расход продукта на анализ -100мл.
Газоанализатор АНКАТ 7621 -01В
Газоанализатор предназначен для непрерывного измерения массовой концентрации в воздухе рабочей зоны оксида углерода, .диоксида серы, сероводорода, хлора.
Основные характеристики: диапазон измерения от 0 до 50 мг/м3.
Октанометр
Октанометр предназначен для определения октанового числа исследовательским и моторным методом автомобильных бензинов и цетанового числа дизельных топлив в процессе оперативного контроля в полевых и лабораторных условиях.
Основные характеристики:
виды контролируемого топлива - автомобильные бензины и дизельные топлива всех марок
диапазон измерений октанового числа бензинов 66-98
диапазон измерений цетанового числа дт. 30-70
погрешности измерения величины
октанового числа не более ±1,0
цетанового числа не более ±1,0
время измерения, сек не более 10
время непрерывной работы, не менее 10 час.
Аппарат для определения температуры вспышки в закрытом тигле ТВЗ
Аппарат предназначен для определения температуры вспышки и воспламенения нефтепродуктов.
Основные характеристики:
аппарат обеспечивает возможность испытания нефтепродуктов с температурой вспышки от 30 до 360С
аппарат обеспечивает испытание нефтепродуктов и продуктов химических, органических с температурой вспышки:
от минус 30 до плюс12С с жидкостной баней
от 12 до 360С с воздушной баней
Рефрактометр цифровой ПЭ 5200
Рефрактометр предназначен для измерения показателя преломления прозрачных жидких сред и концентрации бинарных жидких растворов. Основные характеристики:
диапазон измерения показателя преломления от 1.3200 до 1.5200
допускаемая основная погрешность измерения показателя преломления ±0,00044 ед. пок. пред.
температура термостатирования аналитического узла 20±0,11С
объем анализируемой пробы, не более 0,5 мл.
время выхода на режим, не более 30 мин.
время проведения одного измерения, не более 1 мин.
Комплект для определения коррозионного воздействия нефтепродуктов на медную пластинку
Комплект предназначен для определения коррозионного воздействия на медь таких нефтепродуктов, как авиационное топливо для турбореактивных двигателей, автомобильный бензин, газовый бензин, уайт- спириты, растворители, керосин, дизельное топливо, дистиллятное жидкое топливо.
Основные технические характеристики
1. Мощность потребления от сети переменного тока - 1500 ВА
2. Диапазон рабочих температур от +30 до +105оС
3. Точность измерения температуры +0,5 оС
4. Точность поддержания температуры при номинальном объеме теплоносителя +0,5 оС
5. Градиент температуры по рабочему объему ванны +1 оС
6. Количество десятичных разрядов дисплея 4
7. Дискретность задания значений температуры 0,1 оС
8. Объем ванны 30 л.
Виброгрохот модель ПЭ-6800
Виброгрохот предназначен для сообщения возвратно-поступательных винтовых колебаний установленным на нем элементам вибрационного технологического оборудования (например, сито лабораторное: СЛ ЭБ-120, СЛ ЭБ-200)
Основные технические характеристики
1. Мощность потребления от сети переменного тока не более 250 ВА
2. Допускаемая суммарная загрузка рабочего стола 10 кг
3. Диапазон частот колебания без загрузки рабочего стола от 30 до 100 Гц
4. Диапазон частот колебания рабочего стола при максимальной загрузке от 20 до 80 Гц
5. Диапазон задания частоты колебания рабочего стола от 1 до 100%
6. Шаг задания частоты колебания рабочего стола 1%
7. Амплитуда колебаний рабочего стола от 0,25 до 1,5 мм
8. Диапазон задания интервала времени работы виброгрохота от 1 до 99 мин.
9. Дискретность задания интервала времени работы виброгрохота 1 мин.
Стоимость выполнения исследований для сторонних организаций зависит от технического задания и примерно составляет 50-150 т.р. на исследование одного типа теплоносителя в указанных интервалах работы установки.
Условия допуска сторонних организаций в рамках заключения договора с КГЭУ.